Ausschaltverzögerung
Eine Ausschaltverzögerung ist eine einfache elektronische Schaltung, mit der ein elektrisches Gerät nach dem Ausschalten noch eine bestimmte Zeit weiterläuft, bevor es sich vollständig ausschaltet. Man findet solche Schaltungen zum Beispiel bei Treppenhausbeleuchtungen, Lüftern im Bad oder Autoinnenbeleuchtungen, die nach dem Schließen der Tür noch kurz anbleiben.

Oft wird dazu eine Transistorschaltung verwendet, die durch ein sogenanntes RC-Glied erweitert wird. Es sorgt dafür, dass der Transistor eine zeitlich verzögerte Spannung erhält. Beim Ausschalten entlädt sich der Kondensator über den Widerstand, wodurch die Basis des Transistors noch kurz eine Spannung bekommt. Solange diese Spannung anliegt, bleibt der Transistor durchgeschaltet, und der Verbraucher bleibt eingeschaltet. Erst wenn der Kondensator vollständig entladen ist, sperrt der Transistor – und das Gerät schaltet sich ab.
Vergleich zweier RC-Glieder bei einer Ausschaltverzögerung
Ein RC-Glied besteht aus einem Widerstand (R) und einem Kondensator (C). Beide Bauteile bestimmen, wie lange eine Ausschaltverzögerung anhält. Durch unterschiedliche Werte von Widerstand und Kapazität kann man die Verzögerungszeit verändern.
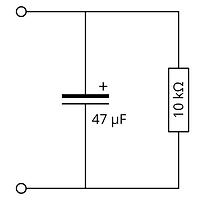
In dieser Schaltung hat der Widerstand nur 10 kΩ und der Kondensator 47 µF. Beide Bauteile sind also relativ klein. Dadurch lädt sich der Kondensator beim Einschalten schnell auf und entlädt sich nach dem Ausschalten ebenfalls schnell.
Die Spannung fällt dadurch rasch ab, und der Verbraucher (z. B. eine Lampe) geht nach kurzer Zeit aus. Die Ausschaltverzögerung ist kurz, nur etwa 1 bis 2 Sekunden.


Hier sind der Widerstand 100 kΩ und der Kondensator 470 µF groß. Der Kondensator lädt sich langsamer auf und entlädt sich viel langsamer als im ersten Beispiel.
Dadurch bleibt die Spannung länger erhalten, und der Verbraucher bleibt deutlich länger eingeschaltet, bevor er ausgeht.
Die Ausschaltverzögerung ist lang, etwa 10 bis 15 Sekunden.